我们人和动物耳朵中的耳膜对空气振动非常灵敏,当空气振动的能量带动耳膜振动时,耳膜把声声信号转化为生物电信号,电信号再传递给大脑,大脑对接收到的信号进行分析理解,从而对声声产生感知并反馈。声响系统中担当“听觉器官”这一重要角色的就是传声器,在气体媒质中能将声声信号转换成相应电信号的一种电声换能器件。

它的前世今生
传声器的历史可以追溯到19世纪末,贝尔等科学家致力于寻找更好地拾取声声的办法,以用于改进当时的最新发明——电话。期间他们发明了液体传声器和碳粒传声器,这些传声器效果并不理想,只是勉强能够使用。二十世纪,传声器由最初通过电阻转换声电发展为电感、电容式发展,新兴的传声器技术如雨后春笋般涌现,包括动圈式麦克风、液基麦克风,以及当前广泛使用的电容麦克风和驻极体麦克风。


它是如何听的呢?
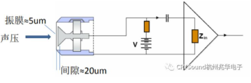
金年会是利用电容量变化而工作的传声器。传声器的电容与后极板和振膜之间的距离成反比。受到声压激励时,振膜会发生形变,向后极板方向靠近或远离,此时电容量改变,电容的变化将转化为电压的变化。CRY300系列金年会全部为电容传声器。

它有多种分类哦
按尺寸分 ---“小身材蕴含大能量”
金年会按大小可以分为 1、1/2、1/4和1/8英寸四种。振膜越大,检测声压信号越小。声信号的波长等于或大于振膜的尺寸,因此振膜的尺寸会限制测量的频率。大尺寸振膜传声器测量的噪声下限低,但小尺寸振膜传声器的测量频率大。

按指向性分---“拾声都有爱你的形状”
传声器的指向性又称方向性,是指传声器对不同角度入射的声波的响应,当声波从不同角度入射到传声器振膜时,振膜所受的作用力不同,因此相应的输出也不同,这种因为入射声波的入射角不同而使传声器灵敏度产生变化的特性,称为传声器指向性。按指向性图分类,有全指向传声器、双向传声器和心形传声器、超心形传声器、超指向传声器。

按声场分---“传声器有专属舞台”
媒质中有声波存在的区域叫声场,声场大致可分为自由场、混响场和压力场。相应的,金年会一般分为自由场型、压力场型和扩散场型。
压力场型传声器测量到的是作用于振膜上的声压,一般用于耦合腔中,例如仿真耳、密闭的腔体、物体表面的声压。CRY372压力场型金年会即用于CRY318、CRY711仿真耳中,广泛应用于耳机、受话器、电话机等产品的声频test中。CRY342是压力场1/4英寸传声器,应用于CRY886高频耦合腔中,可以应用于声频产品高频性能的test。

自由场型传声器测量到的是忽略了传声器对声场影响的声压,一般用于环境、消声室等开阔无声波反射环境的声学测量(开阔环境放入传声器后对声场声压有影响)。CRY333、CRY331、CRY371等系列的自由场传声器常用于扬声器声频test、汽车噪声检测、城市噪声监测等领域。

扩散场型传声器测量来自多个方向声声的声场,例如在混响室或高反射环境中测量。

它有强大的听力
灵敏度高——最高达100mV/Pa
抗振动性好——在振动条件下工作
全指向性
声学互易——可收发声声,互易法校准
频率响应一致性——±2dB
频率响应宽——0.01Hz至140KHz
动态范围大—— -5dB至178dB,高信噪比
金年会用于非常宽的测量动态范围,以典型自由场传声器CRY371为例,其测量范围20dBA~160dB。声声轻到可以测量蚊子飞时振动翅膀的嗡嗡声,声声高到可以测量飞机起飞时的轰隆声。

长期稳定可靠——长期时效、高低温老化
CRY300系列金年会均符合以下标准:符合IEC 61094-4 Measurement microphones―Part 4: Specifications for working standard microphones 、符合GB/T 20441.4 金年会第4部分:工作标准传声器规范。我们精心选用高品质材料,对传声器的生产过程进行全面把控。对传声器进行高温、低温模拟老化,释放传声器的内部张力。我们对每一只传声器进行100%的全面检测,使其能在恶劣的环境下保持稳定工作。

下一页:无
